ホーム / 製品 / エネルギーメーター / ACエネルギーメーター / AC三相プログラマブルパネル取り付け型電力量計

AC三相プログラマブルパネル取り付け型電力量計

真の実効値測定

63次高調波によるTHD

Kファクターとクレストファクター

アンバランスと位相角

需要と複数関税エネルギー

タイムスタンプ付きの最大/最小ログ

+86-18702106858 / +86-21-69156352

[email protected]

  • 説明する
  • APM810 は、産業用、商業用、およびデータセンターの配電盤における正確なエネルギー監視、電力品質診断、およびテナントのサブ請求用に設計された 0.2S クラスの三相 AC 多機能パネル メーターです。コンパクトな96×96 mm DINエンクロージャには、690 Vまでの真の実効値電圧、電流、周波数、有効/無効/皮相電力、PF、需要、63次までの高調波、THD、および4象限kWh/kvarhを表示するカラーTFTタッチスクリーンが搭載されています。デュアル RS485 Modbus-RTU、イーサネット TCP/IP、BACnet/IP、SNMP、およびオプションの Wi-Fi/LoRa はシームレスな BMS/EMS 統合を実現し、4 MB のオンボード メモリはエネルギー監査のための 12 か月の負荷プロファイルを記録します。設定可能な過不足電圧、電流、PF、および高調波アラームは、スマート ブレーカー制御用のリレー出力またはデジタル入力を駆動します。パルス、SOE、およびタリフ TOU レジスタは、ユーティリティ AMI、ソーラー ネットメーター、および EV 充電アプリケーションをサポートします。幅広い 3×57.7 ~ 690 V、0.001 ~ 10 A の直接接続または CT/VT 接続と改ざん防止シールにより、あらゆるスマート グリッドまたはマイクログリッドの導入に適合します。

  • 仕様
  • 技術的パラメータ
    入力 接続 単相2線、三相3線、三相4線
    周波数 45~65Hz
    電圧 評価:
    単相:AC 100V、400V
    三相: AC 3×57.7V/100V(100V)、3×220V/380V(400V)、3×380V/660V(660V)(96サイズのみ)
    過負荷:定格1.2倍(連続):1秒間定格2倍
    消費電力: < 0.5VA
    現在 評価: AC IA、5A
    過負荷:定格1.2倍(連続)、1秒間定格10倍
    消費電力: < 0.5VA
    出力 電気エネルギー 出力 mode:open-collector photo-coupler pulse
    パルス定数: 10000imp/kWh(設定可能)、詳細は配線図を参照;
    コミュニケーション RS485ポート、Modbus -RTUプロトコル、DLT645プロトコル(バージョン07および97)、
    ボーレート 1200 ~ 38400
    機能 スイッチング入力 ドライ接点入力、電源内蔵。モデルがKAの場合、AC 220Vアクティブです。
    スイッチング出力 出力 mode: Relay normally open contact output
    接点容量: AC 250V/3A、DC 30V/3A
    アナログ出力 4~20mA
    精度等級 周波数:0.05Hz,Current、Voltage:0.2 class,Reactive power:l .0class,Reactive Electric energy:l .0class, active power:0.5class,active electric energy: 0.5class,2-31th harmonic measurement:±1%
    電源 AC/DC 85-265V または DC24V(±20%)または DC48V(±20%)
    消費電力≤10VA
    セキュリティ 電源周波数耐電圧 電源//スイッチング出力//電流入力//電圧入力と伝送//通信//パルス出力//スイッチング入力間 AC 2 kV 1min;
    電源、スイッチング出力、電流入力、電圧入力間 AC 2 kV 1min;
    送信、通信、パルス出力、スイッチング入力間 AC1kV 1min;
    絶縁抵抗 入力、Output end to machine enclosure >100MΩ
    環境 温度 作業時: -25°C~65°C 保管: -40°C~80°C
    湿度 ≤93%RH 結露なきこと
    高度 ≤2500m
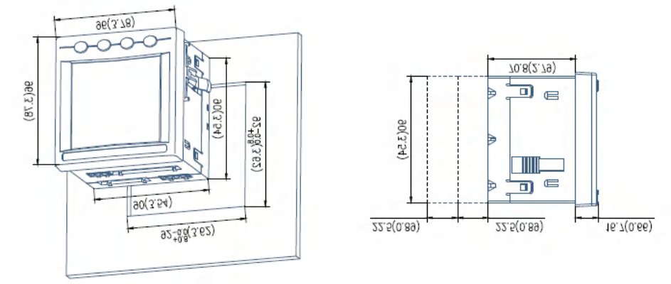
  • 寸法と配線図
  • アプリケーションシナリオ
  • 電力監視ソリューション

  • 作業現場での申請
アクレルについて
「エネルギー効率を最適化し、グリーンな未来を実現します。」

2003 年に設立されたアクレル株式会社【証券コード: 300286.SZ】は、エネルギー管理ソリューションと電気安全を専門とするハイテク企業です。上海に本社を置くアクレルは、マイクログリッドのエネルギー効率と電気安全のための革新的で持続可能なソリューションを提供しています。 600 を超える特許とソフトウェア著作権を持つ Acrel は、28,000 を超えるシステム ソリューションを世界中に展開し、包括的な「クラウド エッジ エンド」エネルギー インターネット アーキテクチャを形成しています。

Acrel Co., Ltd. is China Wholesale AC三相プログラマブルパネル取り付け型電力量計 Manufacturers and AC三相プログラマブルパネル取り付け型電力量計 Factory. Acrel's integrated product ecosystem spans from cloud platform software to end-user components, covering sectors such as power, renewable energy, data centers, smart buildings, transportation, and smart cities. These solutions enable intelligent, real-time energy management, enhancing energy security and reducing operational costs. We offer AC三相プログラマブルパネル取り付け型電力量計 for sale.

同社の生産施設である江蘇アクレル電気製造有限公司は、高度なテストセンターを備え、鉛フリーの生産プロセスに取り組んでおり、厳格な品質基準と環境ガイドラインを遵守しています。 Acrel の 500 名を超えるエンジニア チームは、最先端のエネルギー効率システムとスマート エネルギー ソリューションを提供します。

アクレルは国内での強い存在感を持ち、販売チームと技術チームの世界的なネットワークと、世界中でシームレスなサービス体験を保証する電子商取引プラットフォームによってサポートされ、積極的に国際展開を行っています。アクレルは、企業の効率向上、消費量の削減、持続可能性の目標の達成を支援できることを誇りに思っています。

私たちは力を合わせて、よりスマートで環境に優しい未来を構築しています。

  • 認可された特許

    0+
  • サービスを受けた顧客の数

    0+
  • 従業員総数

    0+
  • 製造拠点

    0
エンタープライズ認定

当社の堅牢な機能でビジネスを強化します。

  • IEC
  • CE-MID
  • UL
  • RoHS
ニュース
  • 現代の電気事情は、発電、送電、配電に主に交流 (AC) が使用される、相互接続された電力システムの複雑なタペストリーです。しかし、再生可能エネルギー、エネルギー貯蔵、電気自動車、産業プロセスの台頭により、直流 (DC) システムが非常に重要な位置に押し上げられています。この AC 技術と DC 技術の共存は、エンジニア、仕様者、購入者に根本的な問題を引き起こします。それは、保護要件と、 電気保護リレー これら 2 つの基本的な電気アーキテクチャは、それら自体が異なるのでしょうか?答えは明確に「はい」です。障害を分離して人命と機器を保護するという保護の中心原則は...

    Read More
  • 現代の電力網はエンジニアリングの傑作であり、発電源からエンドユーザーまで驚くべき信頼性で電力を供給するように設計された相互接続された広大なネットワークです。このシステムの中心には、膨大な量のエネルギーを長距離にわたって運ぶ高電圧送電線、筋動脈が横たわっています。これらの重要な経路のセキュリティと安定性は最も重要であり、その保護は高度な規律です。この保護スキームで最も重要なコンポーネントの 1 つは、テレプロテクション リレーとして知られる特殊なデバイスです。 送電網の脆弱性とスピードの必要性を理解する 高電圧送電線は、落雷、機器の故障、異物との接触など、さまざまな潜在的な障害...

    Read More
  • 電気メンテナンス、エネルギー管理、システムの信頼性の分野では、 電力品質アナライザー は不可欠です。これらのデバイスは、単純な電圧変動から複雑な過渡現象に至るまで、幅広い電気的問題を診断するための基礎として長い間使用されてきました。卸売業者やバイヤーにとって、市場には基本的なトラブルシューティング ツールから高度な分析機器に至るまで、幅広い製品が存在します。の基本的な能力 電力品質アナライザー 電圧、電流、周波数などのパラメータを測定することは、現在、ベースラインの期待事項とみなされています。真の差別化、そしてトップレベルの機器を特徴づける要素は...

    Read More
株式会社アクレル