マレーシアの病院における Acrel 医療 IT システムの適用
ホーム / プロジェクト / 病院 / マレーシアの病院における Acrel 医療 IT システムの適用

マレーシアの病院における Acrel 医療 IT システムの適用

病院内での電子医療機器の使用が増加するにつれ、漏れ電流のリスクは、特に救命救急環境において患者の安全に重大な脅威をもたらします。外科手術中または麻酔中、患者はさまざまな電極やセンサーに直接接続されます。医療機器が人体に直接接触すると、たとえわずかな漏れ電流でも感電を引き起こす可能性があります。

さらに、重篤な患者のための生命維持装置は、中断なく動作を維持する必要があります。停電が発生すると、直ちに患者の命が危険にさらされる可能性があります。したがって、病院の電気システムは、指定されたエリアに IT 電源システムを導入することにより、国家基準に厳密に準拠する必要があります。

このケーススタディは、マレーシアにおける Acrel の医療用絶縁電源システムの適用例を示しており、以下の点が特徴です。

医療ITの配電

絶縁監視装置

障害位置特定システム

お問い合わせ
  • プロジェクトの概要
  • プロジェクト概要
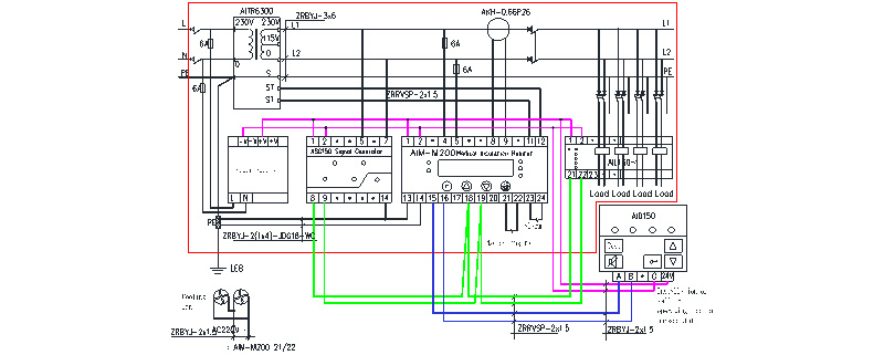
    Malaysia I.E.Dはセランゴール州DARUL EHSANにあります。このプロジェクトは主にマレーシアの島の病院で使用されています。製品は3セットの病院用絶縁型電源システムの12回路の絶縁欠陥位置特定に使用されています。関連製品は絶縁監視装置AIM-M200、信号テスト発生器ASG150、集中警報表示器AID150、絶縁欠陥位置特定装置AIL150-8、AIL150-4および漏れ電流変圧器です。 AKH-0.66P26。


    医療ITシステムのご紹介
    ACRELの医療ITシステム絶縁監視装置および障害位置特定システムは、病院の手術室、ICU(CCU)およびその他の重要な場所に適しており、そのような継続的で信頼性の高い電源ソリューションに安全な場所を提供できます。


    医療現場向け電源ソリューション
    ICU、CCU病棟配電ソリューション(GGF-I8G絶縁電気キャビネットシステム図など)


    オプション I 障害位置特定機能なし


    オプション II 障害位置特定機能付き

    注: 集中治療室の配電ソリューションでは、AID シリーズの集中警報および表示装置をナース ステーションに設置する必要があり、ナース ステーションの病院スタッフが各独立電源システムの動作状態を監視します。


    手術室配電ソリューション (GGF-O8G 絶縁電気キャビネット システム図など)

    オプション I 絶縁欠陥位置特定機能なし


    絶縁欠陥位置特定機能付きオプション II

    1. 手術室の配電ソリューションでは、AID シリーズの外部警報および表示装置を手術室内のインテリジェンス パネル上、またはインテリジェンス パネルの隣 (壁に取り付けた設置) に設置する必要があります。手術中、医療スタッフは絶縁電源システムの状態を監視します。

    2. 絶縁故障位置特定機能を備えた方式では、位置特定されたチャネルの数が 8 を超える場合、2 セットの AIL150 ロケータを使用できます。組み合わせは、AIL150-8 と AIL150-4 (最大 12 チャネル)、または AIL150 -8 と AIL150-8 (最大 16 チャネル) です。

    3. 代表的な配線図






    4. 医療IT7点導入

    製品名と種類 製品写真 説明
    AITRシリーズ医療用絶縁変圧器 AITR シリーズ絶縁変圧器は、医療 IT システムで特に使用されます。巻線は二重絶縁処理され、静電シールド層を備えているため、巻線間の電磁干渉が軽減されます。 PT100 温度センサーは、変圧器の温度を監視するためにワイヤーバッグに取り付けられています。本体全体に真空侵入塗装を施し、機械的強度と耐食性を高めています。温度上昇性能が良く、騒音も非常に低い製品です。
    AIM-M200医療用インテリジェント絶縁監視装置 AIM-M200医療用インテリジェント絶縁監視機器は、高度なマイクロコントローラー技術を採用しており、高集積、コンパクトサイズ、設置が便利で、インテリジェント、デジタル化、ネットワーキングを1つに統合しています。これは、手術室や集中治療室などのクラス 2 医療施設における絶縁型電源システムの絶縁監視に最適です。
    AKH-0.66P26 変流器 AKH-O 66P26形変流器は、測定可能最大電流60A、変圧比2000:1のAIM-M200絶縁モニタに対応した保護変流器です。変流器はキャビネット内にネジで直接固定されており、二次側は端子によって引き出されているため、設置と使用が便利です。
    AIL150-4/AIL150-8 絶縁故障探知器 AIL150-4/AIL150-8 絶縁故障探知器 adopts high sensitivity transformer combined with a high precision signal detecting circuit, which detects the signal imported into the system from the ASG150 test signal generator and accurately locates the circuits which have insulation faults. AIL150-4 insulation fault locator can locate the insulation faults of 4 circuits, and the AIL150-8 insulation fault locator can locate the insulation faults of 8 circuits.
    ASG150 テスト信号発生器 ASG150テスト信号発生器は、32ビットマイクロプロセッサチップと高精度信号発生回路を採用し、特定のテスト信号の生成を実現します。監視対象の IT システムに絶縁欠陥がある場合、IT システムが起動して適時にテスト信号を生成し、絶縁欠陥位置と連携して絶縁欠陥位置を特定します。
    HDR-60-24 電源モジュール HDR-60-24 直流電源は、AIM-M200 に同時に 24V DC 電源を供給できます
    医療用インテリジェント絶縁監視装置、ASG150 テスト信号発生器、AIL150 シリーズ絶縁欠陥探知装置、および AID150 集中警報および表示装置 この電源は、高容量、安定した電圧出力、および取り付けが便利で、上記のメーターの電源要件を満たすことができ、推奨される電源製品です。
    AID1 50 集中警報および表示計器 AID150集中警報および表示装置は、LCD液晶ディスプレイを採用し、RS485通信インターフェースを介してAIM-M200医療用インテリジェント絶縁監視装置とのデータ交換を実現し、AIM-M200医療用インテリジェント絶縁監視装置のマルチチャンネルデータをリアルタイムで監視できます。

    現場の写真



Acrel Co., Ltd.